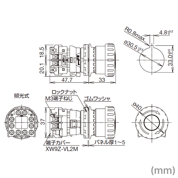
[製品名] φ30 XNシリーズ 非常停止用押ボタンスイッチ XN5E-LV422Q4MR [形番] XN5E-LV422Q4MR [シリーズ] XNシリーズ 非常停止用押ボタンスイッチ [RoHS対応状況] 適合 [種類] 丸穴30mm [取付穴サイズ] φ30 [形状] 分離形 [取付穴寸法] φ30 [照光タイプ] 照光式 [接点構造] 接点分離形 [動作方式] プッシュロックプルorターンリセット [ボタンサイズ] φ40 [メイン接点] 2b [モニタ接点] 2a [ボタン色/照光色] 赤(R) [保護構造] IP65 照光部の定格(LED) [定格使用電圧] AC/DC24V [使用電圧範囲] AC/DC24V±10% [定格電流] 15mA 性能仕様 [適用規格] IEC60947-5-1、EN60947-5-1 IEC60947-5-5、EN60947-5-5、JIS C8201-5-1、UL508、UL991、NFPA79 CSA C22.2 No.14、GB14048.5 [標準使用状態]  周囲温度  ・非照光:−25〜+60℃(氷結しないこと)  周囲湿度:45〜85%RH(結露しないこと)  保存周囲温度:−45〜+80(氷結しないこと) [最小直接開路動作力] 80N [直接開路動作機能までの最小動作距離] 4.0mm [最大動作距離] 4.5mm [接触抵抗] 50mΩ以下(初期値) [絶縁抵抗] 100MΩ以上(DC500Vメガにて) [過電圧カテゴリ] II [インパルス耐電圧] 2.5kV [汚染度] 3 [開閉頻度] 900回/時 [耐衝撃]  誤動作:150m/s^2  耐 久:1000m/s^2 [耐振動]  誤動作:10〜500Hz、片振幅0.35mm、加速度50m/s^2  耐 久:10〜500Hz、片振幅0.35mm、加速度50m/s^2 [耐久性]  機械的:25万回以上  電気的:10万回以上,25万回以上(AC/DC24V 100mA) [操作部保護構造] IP65(パネル前面:IEC 60529) [端子部保護構造] IP20(XW9Z-VL2MF形装着時) [短絡保護装置] 250V/10Aヒューズ(Type aM IEC60269-1/IEC60269-2) [条件付短絡電流] 1000A [端子形状] M3ねじ端子 [端子ねじ推奨締付トルク] 0.6〜1.0N・m [ロックナット推奨締付けトルク] 2.0N・m [接続可能電線] 0.75〜1.25mm 2以下(AWG18〜16) [南京錠とハスプの総重量] 1500g以下(パドロック対応タイプのみ) [強化絶縁(IEC60664-1)] 充電部と金属ベゼル間(フラッシュベゼル、パドロック対応タイプ) [質量(約)] 83g

レビュー件数0
レビュー平均0.0
ショップ ANGEL HAM SHOP JAPAN
税込価格 5,375円

モニター 関連ツイート